Andrew Bryars, Senior Product Manager, XP Power
Los filtros modulares de línea de CA se incorporan a menudo en los equipos, bien sea montados en el chasis o dentro de un conector, sobre todo en entornos como equipos de tecnologías de la información, medicina y electrónica industrial. La función del filtro es atenuar las emisiones del equipo generadas por fuentes de alimentación, electrónica interna, líneas de datos de alta velocidad, etc.
Las fuentes de alimentación internas suelen cumplir las normas establecidas para las emisiones, generalmente EN 55011/EN 55032. Así pues, ¿por qué necesitan un filtro adicional? Que los componentes cumplan las normas no garantiza que el sistema también las cumpla. Si hay varios convertidores CA/CC, sus emisiones se podrían sumar. Un convertidor CA/CC habrá sido comprobado bajo unas determinadas condiciones de impedancia de línea CA, carga, orientación y posicionamiento del dispositivo respecto a un plano de tierra, con unas longitudes establecidas, un cableado y una carga pasiva. Una vez instalado en el equipo, el convertidor no estará bajo las mismas condiciones y las emisiones podrían ser más altas. Las conexiones a la alimentación de entrada del equipo también podrían recoger emisiones radiadas procedentes de otros componentes del sistema que se sumarían a las interferencias conducidas.
El cumplimiento de la normativa de EMI puede requerir más filtros
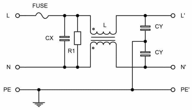
Una solución típica consiste en incorporar un filtro modular dentro o cerca del conector de la entrada de alimentación del equipo. Aunque la selección del filtro entre los numerosos modelos disponibles no es trivial para optimizar el rendimiento y el coste, vamos a plantear de entrada una configuración habitual del filtro para observar la función de cada componente. (Figura 1).
CX atenúa el ruido en modo diferencial, es decir, el ruido de la línea al neutro. Es un condensador de capacidad “X” que puede resistir los transitorios especificados de la línea de CA dependiendo de la clase de “sobretensión” del entorno. Este condensador se encuentra disponible como tipos X1, X2 o X3 con picos de las tensiones de servicio de 4kV, 2,5kV y 1,2kV, respectivamente, en conformidad con EN 60384-14. Si el condensador se cortocircuita debido al estrés, existe riesgo de incendio por lo que el componente debe estar certificado por una agencia de seguridad. El valor capacitivo de CX puede ser elevado y verse limitado tan solo por factores de tipo práctico: se debe descargar dentro de un tiempo predeterminado cuando se desconecta la línea de CA, bien sea por el circuito posterior o R1 para evitar que queda una tensión potencialmente peligrosa en las patillas del conector. Según la norma de seguridad para equipos de tecnologías de la información, audio y vídeo EN 62368-1, el límite es inferior a 60V después de dos segundos si CX es superior a 300nF, mientras que se permite una tensión más alta para valores inferiores a 300nF o en entornos solo accesibles para personal especializado. En instalaciones médicas, el límite es de 60V en menos de un segundo en conformidad con EN 60601-1 pero no es un requisito si CX está por debajo de 300nF.
El valor de R1 se debe calcular para la tensión CA de línea continua más alta y en conformidad con EN 62368-1; si se coloca antes de un fusible también debe resistir tensiones transitorias con una desviación del valor de resistencia no superior al 10%. Para valores grandes de CX, R1 debe tener una resistencia relativamente baja con el fin de cumplir las especificaciones para el tiempo de descarga, con la correspondiente disipación continua de potencia. Esta puede ser un problema cuando se intenta cumplir los límites de las pérdidas sin carga o en espera como se define en las directivas DoE en EE.UU. y ErP en Europa.
L es un inductor con dos devanados de “corriente compensada” que atenúa el ruido en modo común generado habitualmente por tensiones con una alta frecuencia de conmutación al controlar corrientes de ruido hasta tierra a través de las capacidades de la fuente de alimentación interna que vuelven por la línea y el neutro. Con una sincronización como la mostrada en la figura, se anula el campo magnético procedente de la corriente normal de funcionamiento y la corriente en “modo común” en la línea y el neutro “ve” una alta impedancia. Los dos condensadores CY dividen la corriente de modo que circula localmente en lugar de hacerlo a través de la fuente de CA. L1 puede tener un valor elevado ya que el campo de la corriente en funcionamiento anula y evita la saturación del núcleo, pero a veces el acoplamiento del devanado se reduce de manera deliberada para permitir que haya una cierta inductancia de fuga que resulta de ayuda para atenuar el modo diferencial, quizás reduciendo el valor de CX.
Los dos condensadores CY también deben estar certificados por una agencia de seguridad porque, si uno se cortocircuita y se desconecta la conexión a tierra del equipo, es posible que circule corriente por su carcasa. Aunque no falle el condensador, si la conexión a tierra se desconecta de forma involuntaria puede haber la “corriente de fuga” suficiente para dar una descarga, de ahí que los valores de la capacidad se limiten a proporcionar un “toque” máximo y una corriente de fuga “de carcasa” de acuerdo con la norma aplicable. Los límites podrían ser desde miliamperios en algunas áreas industriales con conexiones a tierra cableadas hasta menos de 10µA en entornos médicos de conexión flotante en intervenciones cardíacas. Los condensadores también se seleccionan en función de la clase de fuente de CA: Y1, Y2, Y3 y Y4 para picos de la tensión de prueba de hasta 8kV.
El fusible de la Figura 1 a menudo se incluye en filtros modulares montados en panel como el conocido tipo IEC320-C14 (Figura 2). Algunas normas exigen que solo haya un fusible en la conexión a la línea, mientras que otras en medicina y tecnologías de la información exigen que tanto la línea como el neutro dispongan de fusibles. Cuando hay un solo fusible, si la entrada se invierte de manera accidental, el fusible pasa al neutro y es puenteado cuando neutro y tierra son comunes, dejando así la protección en los fusibles o disyuntores instalados más arriba y que podrían ser compartidos con otros equipos y por tanto con una elevada corriente de disparo. Si esta corriente entra en el equipo filtrado podría representar un riesgo de incendio. Cuando hay fusibles en la línea y el neutro, queda cubierta la alimentación inversa. No obstante, si el fusible en la conexión del neutro se abre debido a un fallo como una sobrecorriente entre la línea y el neutro, el equipo aparentemente está “muerto” pero tiene conexiones con corriente. Para contrarrestarlo, el valor del fusible del neutro puede estar un grado por encima de la línea, por lo que el fusible de la línea estaría normalmente abierto antes.

Figura 2: Filtro típico de EMI con fusible montado en panel.
Selección del filtro modular
Hay varios formatos mecánicos disponibles para los filtros modulares; los que se montan sobre chasis, a menudo con blindaje en seis lados con una fijación directa a un chasis conectado a tierra, son muy efectivos con un cableado corto hasta un fusible y un conector de entrada. Los conectores de entrada IEC con filtro incorporado son una elección muy apreciada por montaje atornillado o a presión, con uno o dos fusibles dependiendo del entorno de aplicación. Los de tipo C14 tienen una corriente nominal de 10A y los de tipo C20 llegan hasta 20A o más.
Las versiones de cada tipo se suministran sin condensadores “Y” para aplicaciones médicas con una corriente máxima de fuga cuyo valor típico es de 5µA. Esto reduce la atenuación de ruido en modo común que se podría necesitar para filtros en cascada, por ejemplo.
La potencia de la carga establece el valor de la corriente del filtro que permite la tensión de entrada más baja y el factor de potencia de la carga. Por ejemplo, para una carga de 300W con un factor de potencia de 0,8 a un mínimo de 90VCA, el consumo de corriente es de
300/ (0,8 x 90VCA) = 4,16A que sugiere un filtro de 5A.
Los filtros modulares se acompañan de gráficos con la atenuación respecto a la frecuencia e inicialmente se puede escoger un tipo midiendo el rendimiento sin el filtro, restándolo luego del objetivo para proporcionar la atenuación del filtro deseado. Los datos del rendimiento para los filtros se presentan bajo unas condiciones de prueba particulares, generalmente con una fuente de 50 ohmios e impedancia de carga por lo que, en la práctica, la atenuación depende del circuito final. La impedancia de la fuente de CA se puede estandarizar por medio de una red LISN (Line Impedance Stabilisation Network) pero la carga podría ser muy diferente a 50 ohmios, variar con la frecuencia e incluso mostrar una impedancia incremental negativo. También existe el peligro de las resonancias con otros filtros en serie que provocan resultados inesperados, incluso amplificando en lugar de atenuar EMI a unas frecuencias concretas.
A modo de experimento se obtuvo el gráfico de la Figura 3, que muestra el nivel de EMI de un convertidor CA/CC de XP Power, el tipo PBR500PS12B, a 230VCA y con una carga de 180W. El convertidor demostró su conformidad con los límites de emisiones de EN55032 curva B por un buen margen y con detección de cuasipico como exige la norma. Se añadió otro filtro, el XP Power FCSS06SFR, cuyas características de atenuación se pueden ver en la Figura 4. La línea continua es la atenuación en modo común y la línea de puntos es la atenuación en modo diferencial.
La Figura 5 ofrece un gráfico del efecto combinado de las emisiones hasta 1MHz, aproximadamente, con la atenuación total en dB es el valor original sumado al del filtro. Sin embargo, por encima de unos pocos MHz, la atenuación está por debajo de lo previsto. Esto se debe a que el filtro no “ve” la terminación de 50 ohms a altas frecuencias, lo cual reduce su efecto de atenuación y confirma la necesidad de medidas prácticas que confirmen el cumplimiento de los límites de emisión.

Figura 3: Fuente de alimentación CA/CC, solamente con filtro interno.

Figura 4: Filtro modular de tipo XP FCSS06SFR.

Figura 5: Fuente de alimentación CA/CC con un filtro externo añadido.
Hay ayuda disponible
El tipo y el rendimiento de los filtros modulares de EMI constituyen una elección complicada y vital para evitar los costes del rediseño potencial en los ensayos de EMC cuando la comercialización del producto debería estar cerca. Instalar un filtro grande es costoso e incluso puede ser contraproductivo con unos resultados inesperados. El fabricante XP Power está aquí para ayudarle gracias a su amplia gama de filtros para completar sus productos convertidores CA/CC con la posibilidad de escoger entre diferentes niveles de corriente y características de atenuación en IEC y formatos para montaje en chasis. Hay versiones disponibles para todas las aplicaciones, incluidas las de bajas fugas para aplicaciones médicas, a las que se unirán otros modelos planeados para aplicaciones con altas corrientes y trifásicas. También dispone de filtros multietapa que incrementan la atenuación, así como de versiones a medida según las necesidades.
XP Power ofrece un soporte completo de la aplicación para sus productos y puede asistir en los ensayos de conformidad de los productos de sus clientes mediante el uso gratuito de sus propias instalaciones de pruebas de EMC en las sedes de la empresa repartidas por el mundo.





