La velocidad de desarrollo de las tecnologías y su impacto en todos los ámbitos de la vida es mayor que nunca. Nos llegan a diario nuevas informaciones sobre aplicaciones que ahora se pueden realizar con la ayuda de tecnologías mejoradas. Un ejemplo de estos avances es la tecnología de los vehículos. Durante muchas décadas, el automóvil se desarrolló de manera constante y estable. En la década de 1990 se produjo una primera aceleración con la introducción de muchos más componentes electrónicos, incluidos ABS, ASR, ESP y más. La radio del coche autoinstalada y el dispositivo de navegación móvil en el parabrisas evolucionaron hasta convertirse en potentes sistemas de información y entretenimiento. Un número cada vez mayor de sistemas de asistencia y tecnologías de seguridad más avanzadas llegaron a los vehículos. Con la transición a accionamientos puramente eléctricos, la cantidad de componentes eléctricos y electrónicos volvió a aumentar. Los futuros vehículos autónomos necesitarán mucha más potencia informática para procesar todos los datos e información del entorno (cámaras, otros usuarios de la vía, señales de tráfico, etc.) en tiempo real. Así, nuestros futuros vehículos se convertirán cada vez más en ordenadores de alto rendimiento sobre ruedas.
De manera similar, o al menos de manera comparable, la velocidad de la innovación se ha acelerado en muchos segmentos del mercado. Sin embargo, sin el desarrollo continuo de industrias clave como la industria de los semiconductores, nada de esto sería posible. Regularmente se utilizan diversos instrumentos de medición para cerrar la brecha entre la tecnología, la aplicación y el producto. Para cumplir con los requisitos necesarios para nuevas aplicaciones, la tecnología de medición también debe avanzar continuamente. Esto también requiere la contribución de industrias clave.
En lo que respecta específicamente a los osciloscopios, en los últimos años han surgido varias tendencias. La creciente cantidad de datos impulsa el desarrollo de sistemas de transmisión más rápidos. Para medir con precisión señales rápidas con bordes posiblemente más pronunciados, se necesitan dispositivos con mayor ancho de banda. El rápido aumento de importancia y el avance de la electrónica de potencia plantean requisitos adicionales para la tecnología de medición. Los nuevos y más eficientes semiconductores como SiC y GaN, permiten frecuencias de conmutación más altas con flancos más pronunciados y voltajes más altos. Esto da como resultado una demanda de mayores anchos de banda, como se mencionó anteriormente. Pero eso no es todo; Al medir señales pequeñas cerca de señales altas, la resolución estándar de 8 bits de los convertidores analógico-digital (ADC) típicos ya no es suficiente. Un ejemplo es medir la ondulación de menos de un voltio en una meseta de 200 voltios de un voltaje conmutado. Los mayores requisitos y la mayor disponibilidad de los ADC correspondientes han llevado al lanzamiento de muchos osciloscopios con ADC de 12 bits en los últimos años. Hace unos 18 meses, Siglent presentó su primer «dispositivo HD» con un ancho de banda de hasta 350 MHz.
Para cubrir ambos requisitos (alto ancho de banda para análisis de señales digitales y alta resolución vertical para captura detallada de señales pequeñas con un solo dispositivo), Siglent presentó la nueva serie de osciloscopios SDS7000A a mediados de noviembre de 2023. Los nuevos dispositivos ofrecen 4 canales y actualmente están disponibles con anchos de banda de 3 GHz y 4 GHz. Se está trabajando en una ampliación a 6 GHz. Para garantizar una alta integridad de la señal, se utilizan ADC de 12 bits con una velocidad de muestreo máxima de 20 GSa/s. La interfaz de bajo ruido permite un ruido base de solo 220 μVrms con un ancho de banda completo de 4 GHz. Si se necesita menos ancho de banda, se puede limitar con solo presionar un botón, lo que reduce el ruido al rango de μV de dos dígitos. Si se requiere una resolución vertical de más de 12 bits y no hay demandas de ancho de banda demasiado altas, el dispositivo puede alcanzar 16 bits utilizando el modo de resolución mejorada (ERES). ERES es un método matemático para refinar aún más los datos capturados con 12 bits. El diseño bien pensado del dispositivo muestra sus puntos fuertes especialmente en el análisis de las señales más pequeñas.

Comprar un osciloscopio de esta clase no suele ser sólo para capturar frecuencias más altas u obtener mediciones detalladas de 12 bits. Se espera que el dispositivo también pueda realizar mediciones y análisis exigentes. Cuanto más flexible sea el uso del dispositivo, más rápido se amortizará la inversión. El procesador x86 en el núcleo de la nueva plataforma permite la implementación de potentes herramientas de análisis. Muchas funciones útiles ya están disponibles tras su introducción, lo que aumenta el número de posibles campos de aplicación. Dado que la arquitectura deja mucho espacio para ampliaciones de funciones de análisis, se agregarán más opciones en el futuro. Esto ayuda a aumentar la seguridad de la inversión realizada.

Además de las funciones estándar habituales, como decodificación de bus, disparadores inteligentes y flexibles (p. ej., disparador de zona), editor de fórmulas, prueba de histograma y máscara y segmentación de memoria, se incluyen extensiones opcionales como 16 canales digitales adicionales y un generador de señal de 50 MHz. disponible. El generador de señales también se puede utilizar para crear diagramas de Bode. Esta función, junto con el análisis de potencia opcional y los accesorios adecuados, como sondas de corriente o sondas diferenciales de alta tensión, preparan el SDS7000A para su uso en electrónica de potencia.
En el centro del análisis de la integridad de la señal de los sistemas de alta velocidad y la caracterización de las señales de comunicación de alta velocidad se encuentra la creación y el análisis de diagramas de ojo. La evaluación de la calidad del sistema se realiza observando la influencia de la interferencia entre símbolos, el ruido y el ancho de banda. El análisis de fluctuación caracteriza la distribución estadística de variaciones menores de tiempo en un sistema y también se utiliza a menudo para depurar sistemas de comunicación digital y transmisión de señales de alta velocidad. La serie SDS7000A permite mediciones automáticas de parámetros esenciales para la caracterización de diagramas de ojo y fluctuaciones. La configuración simple y las mediciones automatizadas aceleran el proceso de depuración y simplifican la fase de prueba durante el desarrollo.
Con el SDS7000A, Siglent también ofrece por primera vez soluciones de prueba de conformidad. Los estándares admitidos incluyen USB 2.0, Ethernet (100base-TX, 1000base-T) y Automotive Ethernet (100base-T1, 1000base-T1). Los usuarios pueden seleccionar y automatizar las pruebas de forma flexible. Destaca aquí el conector de prueba USB 2.0 activo equipado con un microcontrolador. A diferencia de los enchufes de prueba pasivos habituales, no se necesita ningún ordenador adicional para poner el dispositivo USB bajo prueba en modo de prueba. De este modo, el software del osciloscopio también puede controlar el zócalo de prueba, simplificando enormemente el proceso de prueba. Después de las pruebas, los resultados se evalúan, muestran y almacenan automáticamente en un informe.
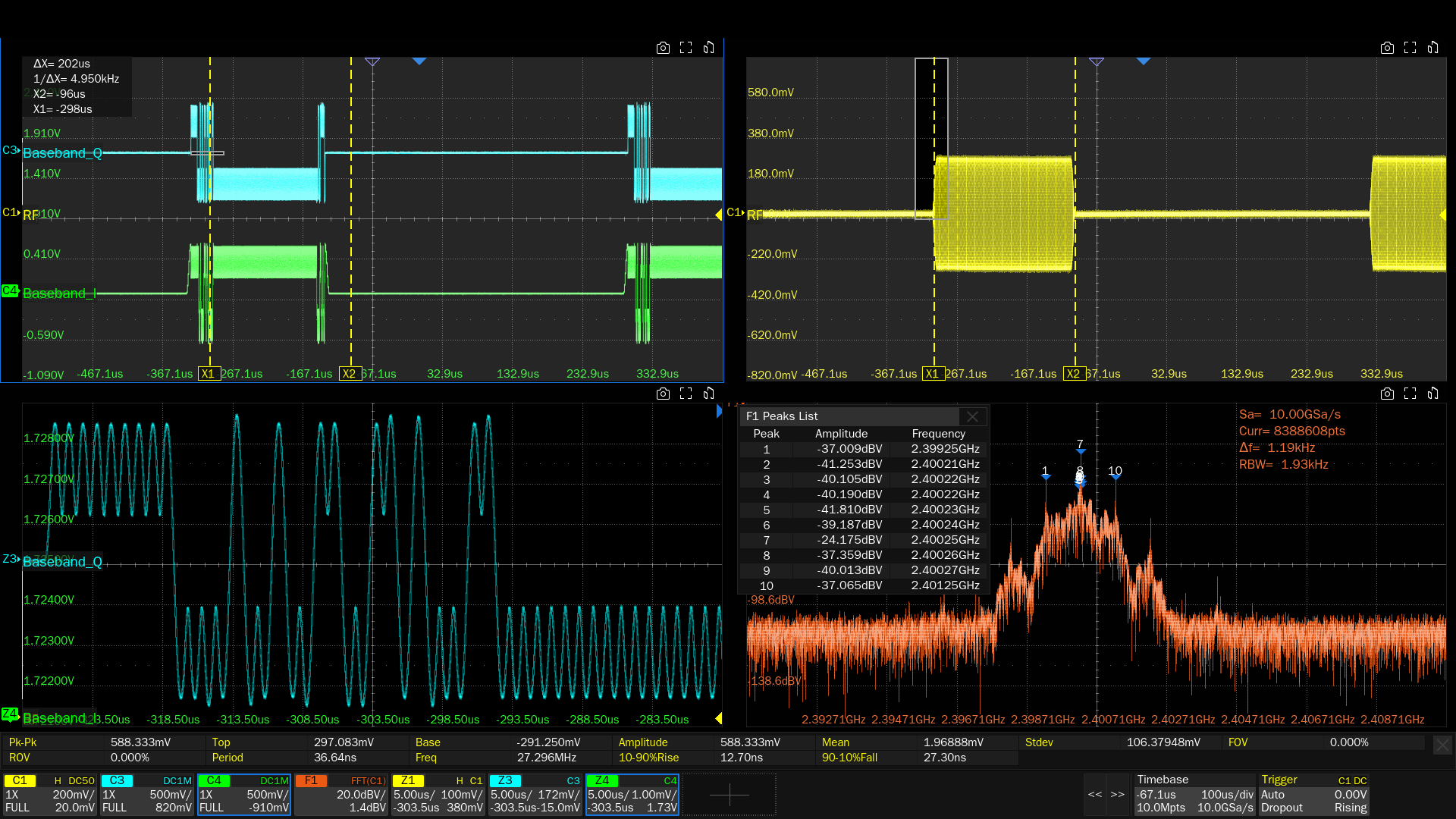
La serie SDS7000A de Siglent es, en general, una herramienta potente y flexible que se puede utilizar para mediciones y análisis en diversas aplicaciones. La gama de posibles aplicaciones abarca desde la electrónica integrada y la automoción hasta la electrónica de potencia y las tecnologías de radio hasta el rango de 2,4 GHz. Ofrecer un osciloscopio con adquisición de 12 bits, alta frecuencia de muestreo/ancho de banda y muchas funcionalidades útiles a un precio justo es el resultado de la tecnología avanzada de semiconductores y el trabajo dedicado de los desarrolladores de Siglent.





