Autor: Anthony Kourtessis, Ingeniero de diseño de Bel Fuse
Es fundamental comprender las configuraciones de bobinado de los transformadores trifásicos para optimizar el rendimiento, gestionar cargas diversas y controlar los costes en aplicaciones industriales y comerciales. Cada configuración ofrece ventajas distintas para aplicaciones específicas. Los ingenieros pueden optimizar el rendimiento del sistema, gestionar diversos tipos de carga y controlar los costes del proyecto de forma eficaz si comprenden las ventajas e inconvenientes de las conexiones Delta-Delta, Wye-Wye, Delta-Wye y Wye-Delta, y seleccionan el método de refrigeración adecuado.
Introducción: decisiones de ingeniería que definen el rendimiento del sistema
En el diseño de sistemas de distribución eléctrica, la disposición de los devanados del transformador determina fundamentalmente el rendimiento del sistema. La configuración (Delta-Delta, Wye-Wye, Delta-Wye o Wye-Delta) afecta a la capacidad del transformador para gestionar cargas no balanceadas, proporcionar conexiones neutras para equipos monofásicos y adaptarse a los distintos requisitos de tensión.
Más allá de las opciones de configuración, los transformadores trifásicos ofrecen ventajas significativas sobre las unidades monofásicas. Al devanar tres fases en un solo núcleo, los fabricantes utilizan el cobre y el hierro de manera más eficiente, lo que da como resultado unidades más pequeñas, ligeras y rentables para una determinada potencia nominal en voltios-amperios (VA). Sin embargo, estas ganancias de eficiencia se traducen en un rendimiento fiable del sistema solo cuando la configuración se ajusta a los requisitos específicos de la aplicación. Los ingenieros que especifican transformadores para instalaciones de fabricación, centros de datos o edificios comerciales deben comprender cómo las configuraciones de devanado afectan a la gestión de la carga, las opciones de puesta a tierra y el suministro de tensión.
Comprensión de las disposiciones de devanado en triángulo y en estrella
Dos tipos de conexión fundamentales constituyen la base del diseño de los transformadores trifásicos: Delta (triángulo) y Wye (estrella).
En una conexión en triángulo (Delta), los tres devanados del transformador se conectan de extremo a extremo para formar un bucle triangular cerrado que no tiene punto neutro. La tensión de línea es igual a la tensión de alimentación, con una corriente de fase de aproximadamente el 58 % (1/√3) de la corriente de línea. Las conexiones en triángulo (Delta) son adecuadas para cargas grandes y no balanceadas, ya que el devanado primario proporciona un mejor equilibrio de corriente a la fuente de alimentación de entrada.
Sin punto neutro, las configuraciones e triángulo (Delta) sirven directamente a cargas trifásicas y pueden suministrar cargas monofásicas a través de cualquier par de fases. Las configuraciones en triángulo (Delta) con toma central ofrecen múltiples niveles de tensión y un punto neutro.

Figura 1. Esquema de conexión en triángulo (Delta) (izquierda) y ejemplo de una configuración con toma central que proporciona múltiples niveles de tensión (derecha)
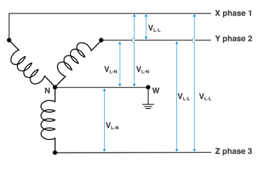
En una conexión en estrella (Wye), un extremo de cada devanado se conecta a un punto neutro central, mientras que el otro extremo de cada devanado se conecta a una de las tres fases. Este sistema de cuatro hilos ofrece una capacidad de doble tensión integrada, proporcionando tensión entre líneas para equipos trifásicos y tensión entre líneas y neutro para cargas monofásicas. También cuenta con un punto neutro nativo para la conexión a tierra.

Figura 2. Esquema de conexión en estrella (Wye)
Opciones de configuración: adaptación de la disposición a la aplicación
Al combinar las conexiones en Delta y Wye, los ingenieros pueden seleccionar entre cuatro configuraciones estándar:
Delta-Delta (D/d) ofrece un rendimiento robusto para aplicaciones que requieren un servicio continuo. Si falla una bobina, las dos restantes pueden seguir suministrando energía trifásica a aproximadamente dos tercios de su capacidad. Esta configuración es ideal para aplicaciones de baja tensión y alta corriente y para instalaciones en las que una interrupción del suministro eléctrico supondría un coste significativo. Sin embargo, requiere un mayor número de espiras, lo que aumenta el coste, y no proporciona conexión neutra, lo que limita su uso a cargas exclusivamente trifásicas.
De las cuatro configuraciones, la Wye-Wye (Y/Y) es la más económica. Tiene conexiones neutras en ambos lados, lo que permite un suministro de doble tensión para cargas trifásicas y monofásicas. No hay desplazamiento de fase entre las tensiones primaria y secundaria, lo que simplifica el funcionamiento en paralelo. Sin embargo, requiere un cuidadoso equilibrio de las cargas monofásicas y es más susceptible al paso de ruido armónico entre la fuente y la carga.
La conexión Wye-Delta (Y/d) es ideal para aplicaciones de reducción de tensión en los extremos de las líneas de transmisión. La conexión primaria en estrella (Wye) reduce la tensión en las bobinas individuales en un factor de √3, lo que permite un menor número de espiras en el devanado y reduce los requisitos de aislamiento. Aunque el neutro conectado a tierra ofrece ventajas de seguridad en aplicaciones de alta tensión, hay que tener en cuenta el desplazamiento de fase de 30 grados y la vulnerabilidad al fallo de una sola bobina.
Delta-Wye: el estándar de distribución eléctrica industrial
La configuración Delta primaria con secundaria en Wye (D/y) se ha convertido en la opción preferida para aplicaciones de distribución de energía comercial, industrial y residencial de alta densidad. Proporciona energía trifásica y monofásica, al tiempo que presenta una carga equilibrada a la empresa generadora de energía. Esta configuración también suprime eficazmente el ruido armónico que llega al lado secundario.
En las instalaciones de fabricación, estos transformadores alimentan grandes motores trifásicos, así como controladores lógicos programables (PLC) monofásicos e interfaces de operario. En los centros de datos, la configuración D/y es especialmente valiosa porque el primario Delta suprime la distorsión armónica de tercer orden generada por equipos informáticos como los sistemas de alimentación ininterrumpida (SAI) y los servidores, evitando que esta interferencia llegue a la red eléctrica. El punto neutro del secundario en Wye proporciona una conexión a tierra fiable, lo que garantiza un voltaje estable y evita fluctuaciones que podrían afectar al funcionamiento del servidor. Los edificios comerciales utilizan transformadores D/y para suministrar energía a equipos de climatización, ascensores, iluminación y circuitos de enchufes desde un único punto de distribución.
Las configuraciones más comunes son los sistemas de 480 V/277 V (industria norteamericana), 208 V/120 V (comercial), 600 V/347 V (Canadá) y 400 V/230 V (internacional).
Al especificar transformadores D/y, los ingenieros deben tener en cuenta su vulnerabilidad al fallo de una sola bobina. Si una de las tres bobinas falla, todo el transformador puede dejar de funcionar. Además, se debe tener en cuenta el desfase de 30 grados entre las tensiones primaria y secundaria cuando se conectan transformadores en paralelo o en determinadas instalaciones de rectificadores, ya que puede provocar un aumento de la ondulación del circuito de CC.
Tipo seco frente a tipo líquido: adaptación del método de refrigeración a la aplicación
Más allá de la configuración del devanado, la elección entre transformadores de tipo seco y de tipo líquido depende principalmente de los niveles de potencia y tensión.
Los transformadores de tipo seco (Dry-type) utilizan aire como medio de refrigeración y están disponibles en dos categorías principales. Las unidades de estructura abierta cuentan con núcleos y bobinas impregnados de resina expuestos con una potencia nominal de hasta 1000 V y 500 kVA, mientras que los diseños de bobinas de resina moldeada tienen una potencia nominal de hasta 36 kV y 40 MVA. Estas unidades son ideales para aplicaciones en las que la seguridad contra incendios es primordial, como hospitales, escuelas, edificios de oficinas e instalaciones con controles ambientales estrictos. Requieren un mantenimiento mínimo y permiten una fácil inspección de las conexiones internas.
Los transformadores llenos de líquido sumergen el núcleo y las bobinas en un aceite mineral especial dentro de contenedores metálicos sellados al vacío, con potencias nominales de 6 kV a 1500 kV y capacidades de potencia superiores a 1000 MVA. La refrigeración por líquido es significativamente más eficiente que la refrigeración por aire, lo que permite a estos transformadores manejar voltajes y cargas más altos, al tiempo que mantienen un tamaño físico más reducido. Sin embargo, requieren sistemas de contención, muestreos y pruebas periódicas del aceite, y consideraciones de seguridad adicionales para la prevención de incendios.

Figura 3. Diferentes tipos de transformadores
Hacer la elección correcta
Para seleccionar la configuración óptima es necesario equilibrar las conexiones neutras, los requisitos de carga, las relaciones de tensión y las restricciones ambientales. Los ingenieros también deben evaluar las cargas totales conectadas utilizando factores de demanda y diversidad, en lugar de basarse únicamente en las potencias nominales indicadas en la placa de características, para evitar un sobredimensionamiento costoso y un subdimensionamiento que comprometa el rendimiento.
Para aplicaciones comerciales e industriales, las configuraciones D/y siguen siendo las preferidas por la industria. Signal Transformer, una marca de Bel, se especializa en la ingeniería de transformadores trifásicos de tipo seco y estructura abierta para aplicaciones exigentes, combinando más de 50 años de experiencia en fabricación con diseños rentables y fiables.
Visite https://www.belfuse.com/products/transformers/three-phase-transformers para obtener más información sobre las soluciones de transformadores trifásicos de Bel de Signal Transformer.






