Con el rápido avance de la digitalización y la electrificación, la presión para acelerar la fabricación y las pruebas de semiconductores para satisfacer la creciente demanda es más crítica que nunca. Este aumento subraya el papel esencial de los equipos de pruebas automatizadas (ATE) de semiconductores.
Los relés mecánicos, reconocidos durante mucho tiempo por su capacidad para conmutar señales de alta tensión y corriente con entradas de baja tensión, se enfrentan ahora a la aparición de los fotorrelés. Estos dispositivos de estado sólido ofrecen una serie de ventajas, entre ellas una mayor fiabilidad, ya que no tienen piezas móviles, propensas a desgastarse y fallar con el tiempo. Aplicaciones como los equipos de pruebas automatizados (ATE) requieren fotorrelés con características específicas para su uso. Este artículo compara y contrasta los relés mecánicos y los fotorrelés, con el objetivo de proporcionar una comprensión exhaustiva de las características que hay que buscar a la hora de seleccionar un fotorrrelé para su uso en aplicaciones ATE. Explora las capacidades del TLP3412SRLA de Toshiba basándose en el rendimiento, la fiabilidad y su capacidad para cumplir las exigentes especificaciones de los entornos de ensayo de semiconductores actuales.
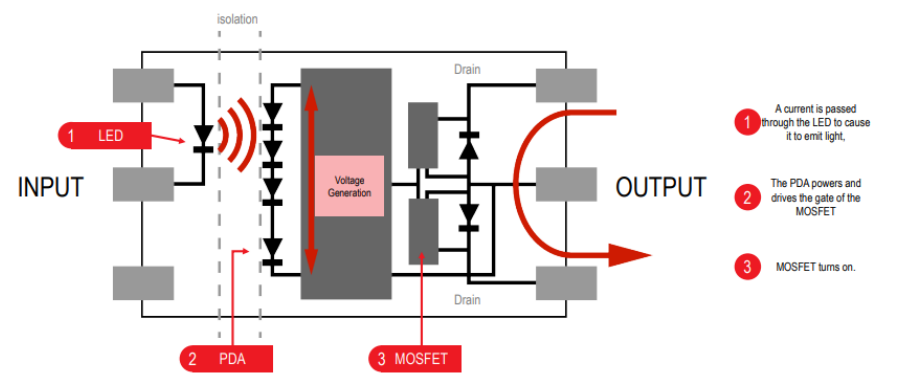
¿Qué es un fotorrelé y cómo funciona?
Un fotorrelé es un dispositivo semiconductor de estado sólido con un LED en su etapa de entrada y MOSFETs en la etapa de salida, como se muestra en la Figura 1.

Figura 1. Diagrama de bloques de un fotorrelé
Cuando se aplica corriente al LED, éste emite luz y esta señal óptica es convertida en una señal eléctrica por la matriz de fotodiodos (PDA) del lado de contacto. Esta señal eléctrica se aplica como entrada a la puerta del MOSFET, encendiéndola y estableciendo así la conexión entre los dos terminales de salida. Cuando se elimina la corriente de entrada aplicada al LED, el LED de entrada se apaga, provocando también la desconexión del MOSFET de salida y rompiendo el circuito entre los contactos de salida. Este ciclo se modela para la conmutación a baja frecuencia en la Figura 2.

Figura 2. Modelo simplificado del funcionamiento de un fotorrelé
¿Cuál es la diferencia entre un relé mecánico y un fotorrelé?
Ambos dispositivos realizan la misma función, pero los fotorrelés ofrecen mayor fiabilidad porque no tienen piezas móviles que puedan atascarse o desgastarse tras ciclos de conmutación repetidos. Los fotorelés son cada vez más pequeños, lo que permite ahorrar espacio y acelera el abandono de los relés mecánicos. Sin embargo, los fotorrelés tienen una mayor resistencia (resistencia de conexión o RON) que los relés mecánicos y también tienen un componente de capacitancia (capacitancia de salida o COFF) que se atribuye principalmente a la unión PN del diodo parásito en el MOSFET del lado de salida. A medida que aumenta la frecuencia de la señal, la inductancia (L) de un fotorrelé también se convierte en un problema. En la Figura 3 se muestra el modelo de alta frecuencia de un fotorrelé.

Figura 3. Modelo de alta frecuencia de un fotorrelé

Tabla 1. Comparación de las características de un relé mecánico y un fotorrelé.
Requisitos de los fotorrelés utilizados en ATE de semiconductors
A medida que aumenta el número de aplicaciones que utilizan semiconductores, también crece la necesidad de equipos de inspección de dispositivos semiconductores. Los equipos de prueba automatizados (ATE) verifican que un dispositivo semiconductor sometido a prueba (DUT) funciona correctamente aplicando una tensión o corriente a pines específicos (por ejemplo, la memoria). Se utilizan varios relés para aplicar estas señales al DUT y los relés mecánicos tradicionales no suelen ser adecuados en esta aplicación. Al seleccionar un fotorrelé para su uso en una aplicación ATE, es importante tener en cuenta las siguientes características:
Capacidad de accionamiento por tensión
El LED del lado de entrada de un fotorrelé es un dispositivo accionado por corriente y, por lo tanto, es habitual conectar una resistencia limitadora de corriente externa al terminal del LED para evitar daños por sobrecorriente si aparece una tensión excesivamente alta en la entrada. Sin embargo, estas resistencias ocupan un valioso espacio en la placa, lo que aumenta el tamaño y el coste. También suele ser más conveniente controlar un dispositivo directamente con una fuente de tensión (en lugar de corriente). El TLP3412SRLAA de Toshiba incorpora una resistencia integrada en el lado del LED, lo que permite un funcionamiento controlado por tensión sin necesidad de resistencias externas adicionales. Baja tensión de funcionamiento para FPGA de sistema de 1,8 V.
La tensión de funcionamiento del núcleo de las FPGAs disminuye continuamente en consonancia con la evolución de la tecnología de procesos de semiconductores. El TLP3412SRLAA aborda esta tendencia ofreciendo el funcionamiento con el voltaje más bajo para cualquiera de los productos fotorelé de Toshiba. La tensión máxima de funcionamiento VFON es de 1,6 V, lo que permite utilizar cómodamente FPGA de sistema de 1,8 V.
Altas temperaturas de funcionamiento
A veces es necesario que un prober (probador de semiconductores) aplique señales a un DUT a altas temperaturas. Esto hace que los fotorrelés se coloquen cerca de la cámara de alta temperatura, por lo que deben tener la capacidad de soportar altas temperaturas. El TLP3412SRLAA tiene una temperatura máxima de funcionamiento de 125°C, lo que le permite sobrevivir a entornos adversos en cámaras de alta temperatura.
Encapsulado pequeño para montaje de alta densidad
Existen dos categorías principales de cabezales de prueba en los equipos ATE: la fuente de alimentación del dispositivo (DPS) y la electrónica de pines (PE). Los equipos ATE utilizan relés para conmutar la fuente de alimentación y la señal para probar varios DUT simultáneamente. Esto hace que la disponibilidad de placas de prueba de alta densidad sea fundamental para reducir el coste y mejorar la fiabilidad de los ATE de semiconductores. Los relés mecánicos convencionales no pueden cumplir estos requisitos, mientras que, en comparación, muchos fotorrelés pueden montarse en un espacio limitado de la placa. El TLP3412SRLA utiliza un encapsulado S-VSON4T ultrapequeño (1,45 mm × 2,0 mm (típ.), t = 1,4 mm (máx.)) para ayudar a mejorar aún más la densidad de montaje en los ATE.
Resumen
Los fotorrelés ofrecen una serie de ventajas frente a los relés mecánicos en los equipos ATE de semiconductores. En este artículo se analizan los atributos clave que deben tenerse en cuenta a la hora de seleccionar un fotorrelé para este tipo de aplicación. Destaca el TLP3412SRLAA de Toshiba como una de las opciones más adecuadas, dadas sus prestaciones y fiabilidad.






